We ship from multiple warehouses throughout the USA
to get you what you need as fast as possible!
Millions of items in stock!
Fast online checkout - No account required
Cart 0
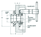
#GGU4002RH - RH Sopko Wheel Adapter w/GL - Apex Tool & Supply

#GGU4002RH - RH Sopko Wheel Adapter w/GL


Item #: SP50GGU4002RH
Manufacturer: Sopko
Mfg #: 00748

Technical Specifications:
*Brand Name: Sopko

Description:


Shipping Info:
*Actual Weight - 1.2500
$423.18

2% Off All Online Orders
Use Code: 2%OFF

Best Price Guarantee - Email Us A Better Published Price and We'll Beat It