
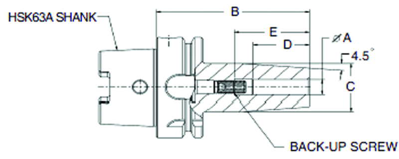
HSK63 COOLANT TUBES
Item #: GM30TICTHSK63
Manufacturer: Briney
Mfg #: TICT-HSK63
Technical Specifications:
*Brand Name: Briney
Description:
Shipping Info:
*Actual Weight - .0500 *Dimensions - Height: .710 Length: 1.43 Width: .710
2% Off All Online Orders
Use Code: 2%OFF
Best Price Guarantee - Email Us A Better Published Price and We'll Beat It